Bomkey (HK) Elektronik GmbH!

    CR2016 vs. CR2025: Welche Knopfzelle ist die richtige für Sie?

    CR2016
    Teilenr.:
    CR2016
    Hersteller:
    Panasonic - BSG
    Kategorie:
    Product information
    Verpackung:
    Datenblatt:
    BomKey ElektronikCR2016.pdf
    Beschreibung:
    BATTERY LITHIUM 3V COIN 20MM
    Zahlung:
    Payment
    Versand:
    Shipping

    Artikel Details


    CR2016- und CR2025-Batterien sind üblicherweise Knopfzellen. Sie unterscheiden sich in Aussehen und Verwendung. Es ist wichtig, die Unterschiede zwischen den Batterien zu kennen, bevor Sie sich für eine entscheiden. Worin besteht der Unterschied zwischen CR2016- und CR2025-Batterien? Hier erklären wir die Begriffe und die Funktionen der einzelnen Behälter.

    Die CR2025-Batterie hat eine Kapazität von etwa 170 Milliamperestunden, die CR2016-Batterie eine von etwa 90 Milliamperestunden [1]. Aufgrund dieser Unterschiede eignet sich die CR2025 für Geräte mit höherem Stromverbrauch, wie z. B. kleine Spielzeuge, Kameras und Fernbedienungen.



     CR2016 vs. CR2025 Batterie


    CR2016 Batterieübersicht

    Was ist eine CR2016-Batterie?

    Mit ihrem ultradünnen Profil ist die CR2016-Batterie eine 3-V- Lithiumbatterie und eignet sich ideal für eine Vielzahl kleiner elektronischer Geräte, darunter kleine Spielzeuge und Spiele, Uhren und Blutzuckermessgeräte. Sie wird häufig in kleinen elektronischen Geräten verwendet, in denen nicht genügend Platz für größere Geräte vorhanden ist.

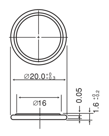
    Maße

    Die CR2016 ist eine 20-mm-Lithium-Knopfzellenbatterie und eignet sich ideal für die Datensicherung des iPhone.


    Spezifikation

    CR2016

    Durchmesser

    20 mm

    Höhe

    1,6 mm


    cr2016 Abmessungen


    Merkmale:

    • Gute Pulsfähigkeit 
    • Hohe Entladeeigenschaften
    • Stabiles Spannungsniveau während der Entladung
    • Langfristige Zuverlässigkeit

     Anwendungen:

    • Fernbedienungen
    • Uhren
    • Fitness-Tracker
    • Medizinische Geräte (wie Blutzuckermessgeräte)

    cr2016-Anwendung

    CR2025 Batterieübersicht

    Was ist CR2025?

    Eine weitere häufig verwendete 3-V-Lithium-Knopfzellenbatterie ist die CR2025 , die der CR2016 sehr ähnlich, jedoch etwas dicker ist. Durch diese zusätzliche Dicke verfügt die Zelle über eine höhere Kapazität und ist aufgrund ihrer geringeren Impedanz als Standardzellen auch ideal für Entladungen mit hohen Strömen geeignet.
    CR2025-  Batterien   haben einen Durchmesser von 20 mm und eine Höhe von 2,5 mm. Die Kapazität liegt je nach Hersteller normalerweise im Bereich von 160 mAh bis 170 mAh. Sie verfügen über eine hohe Energiedichte und eine sehr stabile Spannungsabgabe sowie eine lange Lagerfähigkeit und Betriebsdauer. Das ist ideal für den Einsatz bei heißen oder kalten Temperaturen und hält sehr lange für Schlüsselanhänger, Taschenrechner, medizinische Geräte, Fernbedienungen usw.

    Maße

    Die Lithium-Knopfzelle CR2025 hat einen Durchmesser von 20 mm und eine Höhe von 2,5 mm. Die Lithium-Knopfzelle CR2025 hat einen Durchmesser von 20 mm und eine Höhe von 2,5 mm. 



    Spezifikation

    CR2016

    Durchmesser

    20 mm

    Höhe

    1,6 mm



    Merkmale


    • Chemikalie: Lithium/Mangandioxid (Li/MnO2)

    • Bezeichnung: ANSI/NEDA-5003LC, IEC-CR2025
    • Nennspannung: 3,0 Volt
    • Nennkapazität: 170 mA (Entladung bei 2,0 V, 15 K Ohm bei 21 °C)
    • Durchschnittsgewicht: 0,08 Unzen (2,6 Gramm)
    • Durchschnittliche Kapazität: 0,8 ccm (0,05 Kubikzoll)
    • Max. Rückwärtsladung: 1 Mikroampere
    • Energiedichte: 176 Milliwattstunden pro Gramm, 616 Milliwattstunden pro Kubikzentimeter
    • Durchschnittlicher Lithiumgehalt: 0,078 Gramm (0,0028 OZ)
    • Temperaturbereich: -30°C bis 60°C
    • Selbstentladung: <=1 % pro Jahr
    • Größe: 20 mm Durchmesser, 2,5 mm Dicke
    • Anwendungen: Autoschlüssel mit Funkfernbedienung, Taschenrechner, kleines Spielzeug, digitale Thermometer, Armbanduhren je nach aktueller Ausstattung.

     

    Anwendungen:

    • Schlüsselanhänger
    • Rechner
    • Digitale Thermometer
    • LED-Leuchten
    • Autosicherheitssysteme


    Ähnlichkeiten zwischen CR2016 und CR2025

    Aufgrund ihrer Ähnlichkeiten sind die Batterien CR2016 und CR2025 hinsichtlich Spannung und Durchmesser kompatibel, ihre unterschiedliche Dicke und Kapazität wirken sich jedoch auf ihre Austauschbarkeit aus.

    Aspekt

    Details (CR2016 vs. CR2025)

    Benennungsschema

    Beide verwenden das Präfix „CR“, das auf die chemische Zusammensetzung von Lithiummangandioxid hinweist. Die Zahlen stehen für die Größe: 20 mm Durchmesser und Dicke (16 = 1,6 mm, 25 = 2,5 mm).

    Nennspannung

    3,0 Volt – ideal für Geräte mit geringem Stromverbrauch, die eine konstante Spannungsquelle benötigen.

    Durchmesser

    Gleicher Durchmesser von 20 mm, wodurch der Einsatz in ähnlich großen Batteriefächern möglich ist.

    Chemische Zusammensetzung

    Beide verwenden Li/MnO₂ (Lithiummangandioxid) und bieten eine lange Haltbarkeit und stabile Entladung.

    Anwendungen

    Wird häufig in kleinen elektronischen Geräten verwendet: Schlüsselanhänger, Uhren, Taschenrechner, Spielzeug und Laserpointer.

     

     

    Unterschiede zwischen CR2016 und CR2025

    The CR2025 and CR2016 are both lithium coin batteries with a nominal voltage of 3V, but they differ in several key aspects. The CR2025 is thicker and has a higher capacity compared to the CR2016, which results in longer battery life for the CR2025. These differences in thickness and capacity affect their suitability for various applications. The CR2025, being thicker, can store more energy and is often used in devices requiring higher power, while the CR2016, being thinner, is suited for low-power devices.

    Feature

    CR2016

    CR2025

    Thickness

    1.6 mm

    2.5 mm

    Capacity

    ~90 mAh

    ~165 mAh

    Battery Life

    Shorter duration

    Longer-lasting

    Fit

    Better for thin devices

    Better for devices with more space



    Are CR2016 and CR2025 batteries Interchangeable

    No, CR2016 and CR2025 batteriers are not interchangeable.

    The main different between them is the thickness:

    CR2016 is 1.6 mm thick

    CR2025 is 2.5 mm thick

    Both batteries have the same diameter (20 mm) and voltage (3v), but the thickness difference won't allow compatibility. It cannot be returned for that reason.A CR2025 will not fit into a CR2016 because it is a different size (the last part of the 4 digit alphanumerical code indicates the dimensions of the battery, a CR2025 is physically larger than a CR2016).

    Or, more likely, switching to a CR2016 instead of a CR2025 might seem like it works, but due to its lower capacity (~90 mAh vs. 165–170 mAh), performance might be way worse and runtime much shorter-particularly in power-hungry devices.

    ✅ Be sure to follow the specific battery guidelinesrecommended by your product manufacturer to ensure the proper use and usage life of your device.

     

    How to Choose Between CR2016 vs CR2025:

    ✅ Review Device Specs: Always refer to the manual or battery compartment markings.

    ✅ Maximize Space: when the battery slot is so narrow that CR2016 will fit.

    ✅ Opt for Capacity: If they both fit, CR2025 will last longer.

    ❌Don't Force a Battery: If you don't have CR2016 and you only have CR2025, do not try inserting it into a slot that requires the former just because it's a bit tight - it could damage the device.


    RFQ 

    Can I use CR2016 batteries instead of CR2025?

    CR2016 batteries cannot usually replace CR2025 because of thickness issue. The CR2025 is also thicker, so it may not be the best fit in a device made for the skinnier CR2016. What's more, the CR2025 is a higher capacity so you may experience shorter battery life and issues if you used a CR2016.

    What Is the Best Cr2025 Battery Brand?

    A few labels have pitched on little LED lights with this battery, and some have spent a lot on packaging design so it's nice to do them a favour. Some of these brands are Duracell, Chao Chuang, Philips Lithium Minicell, GloFX Lithium Button.

    Can I use two CR2016 to replace a CR2032?

    Wenn zwei CR2016-Knopfzellen anstelle einer CR2032-Knopfzelle gestapelt werden, kann auch diese die gleiche Kapazität und Lebensdauer wie die CR2032 erreichen. Dieses Sandwich aus zwei gestapelten CR2016-Batterien ist jedoch sehr schädlich für das Gerät, das Sie damit betreiben.

    Alternativen zu CR2016- und CR2025-Batterien?

    Ja, CR2016-kompatibles Modell: DL2016 (Duracell), ECR2016 (Energizer). Äquivalent zu CR2025: DL2025 (Duracell), ECR2025 (Energizer) und CR2025 anderer Batteriehersteller. Überprüfen Sie stets die Kompatibilität mit den Abmessungen Ihres Geräts.


    CR2016 Spezifikationen

    Panasonic - BSG CR2016 technische Spezifikationen, Eigenschaften, Parameter und Teile mit ähnlichen Spezifikationen wie Panasonic - BSG CR2016.
    Eigenschaften
    Eigenschaftswert
    Hersteller
    Panasonic - BSG
    Serie:
    CR2016
    Verpackung:
    Bulk
    Produktstatus:
    Active
    Batteriechemie:
    Lithium Manganese Dioxide
    Batteriezellengröße:
    Coin, 20.0mm
    Spannung - Nenn:
    3 V
    Kapazität:
    90mAh
    Größe/Abmessung:
    0.79" Dia x 0.06" H (20.0mm x 1.6mm)
    Anschlussart:
    Requires Holder
    Funktionen:
    -
    Kategorie:
    Product information
    Alle zurücksetzen
    Ähnliche suchen
    Ergebnis:

    Die Beiträge

    SEMITEC Konstantstromdiode (CRD) Anwendungsreferenzhandbuch
    SEMITEC Konstantstromdiode (CRD) Anwendungsreferenzhandbuch

    LR44 vs. 357 Batterie: Unterschiede, Austauschbarkeit und wie man die richtige wählt
    LR44 vs. 357 Batterie: Unterschiede, Austauschbarkeit und wie man die richtige wählt

    Fragen Sie sich, ob LR44- und 357-Batterien gleich sind? Dieser umfassende Leitfaden erklärt die Unterschiede, Gemeinsamkeiten, Spannung, Kompatibilität und hilft Ihnen, die richtige Batterie für Geräte wie Uhren

    Lagerbestand: 71,625

    Menge Einzelpreis Gesamtpreis

    Inventar:71,625

    Senden Sie uns Ihre Anfrage, wir werden sofort antworten.

    Teilenr.
    Menge
    Preis
    Kontaktname
    Firmenname
    E-Mail
    Kommentare
    BomKey Elektronik
    CR2025
    CR2025

    Murata Electronics

    CR2032
    CR2032

    Jauch Quartz

    CR2025VP
    CR2025VP

    Energizer Battery Company

    CR2032
    CR2032

    Panasonic - BSG

    CR2032VP
    CR2032VP

    Energizer Battery Company

    E92VP
    E92VP

    Energizer Battery Company

    CR2032
    CR2032

    FDK America, Inc., a member of Fujitsu Group

    CR2016
    CR2016

    Panasonic - BSG

    CR2016
    CR2016

    Murata Electronics

    A76
    A76

    Energizer Battery Company

    E96VP
    E96VP

    Energizer Battery Company

    LR6XWA/BXU
    LR6XWA/BXU

    Panasonic - BSG

    CR-2025L/BN
    CR-2025L/BN

    Panasonic - BSG

    CR2032
    CR2032

    Murata Electronics

    LR03XWA/B
    LR03XWA/B

    Panasonic - BSG

    CR2025
    CR2025

    FDK America, Inc., a member of Fujitsu Group

    CR1616
    CR1616

    Panasonic - BSG

    A23C
    A23C

    Energizer Battery Company

    LR03XWA/2SB
    LR03XWA/2SB

    Panasonic - BSG

    EN91
    EN91

    Energizer Battery Company

    Neueste Nachrichten

    Taiwans erster MEMS-Drucksensorhersteller — Metrodyne Microsystems
    2019.09.11

    Bomkey Electronics Co., Ltd. ist der autorisierte Vertriebspartner für das gesamte Sortiment der Metrodyne-Drucksensoren

    Die Kernkomponenten der Datenspeicherung und Informationswahrnehmung.
    2025.01.15

    Meister der präzisen Regelung elektronischer Signale.
    2025.01.15

    2025.10.16

    Plötzliche Sanktionen! Die US-Regierung fügt 23 chinesische Einheiten, darunter Fudan Microelectronics, der „Schwarzen Liste“ hinzu – die Gesamtzahl der Einheiten auf der Liste übersteigt nun 1.000
    2025.09.13

    Murata bringt weltweit ersten 10µF/50Vdc-MLCC in 0805-Baugröße für Automotive-Anwendungen auf den Markt
    2025.08.15

    Bomkey Electronics – autorisierter Vertriebspartner für Murata Automotive-Chipkondensatoren (Typ GCM21BE71H106KE02L)

    Murata startet die Serienproduktion der weltweit ersten 0402-Zoll-47µF-Multilayer-Keramikkondensatoren
    2025.07.18

    bomkey electronics vertreibt die neuen 0402-Zoll-47uF-Multilayer-Keramikkondensatoren GRM158C80E476ME01D und GRM158R60E476ME01D von Murata

    2025.06.24

    2025.06.19

    2025.06.19

    2025.06.03

    The server is busy. Please try again later.
    2025.01.15

    The server is busy. Please try again later.

    Kontaktieren Sie uns Mehr Produktinformationen erhalten!
    BomKey Elektronik

    Startseite

    BomKey Elektronik

    Produkte

    BomKey Elektronik

    Telefon

    BomKey Elektronik

    Benutzer

    Günstige Preise jeden Tag, sorgenfreie Auswahl.
    Günstige Preise jeden Tag, sorgenfreie Auswahl.
    Echte lizenzierte Waren, exzellenter Service.
    Echte lizenzierte Waren, exzellenter Service.
    Direktlieferung aus mehreren Lagern, schnelle Lieferung.
    Direktlieferung aus mehreren Lagern, schnelle Lieferung.
    Vollständige Produktpalette für einfaches Einkaufen.
    Vollständige Produktpalette für einfaches Einkaufen.
    Copyright © 2025 Bomkey Elektronik. Alle Rechte vorbehalten